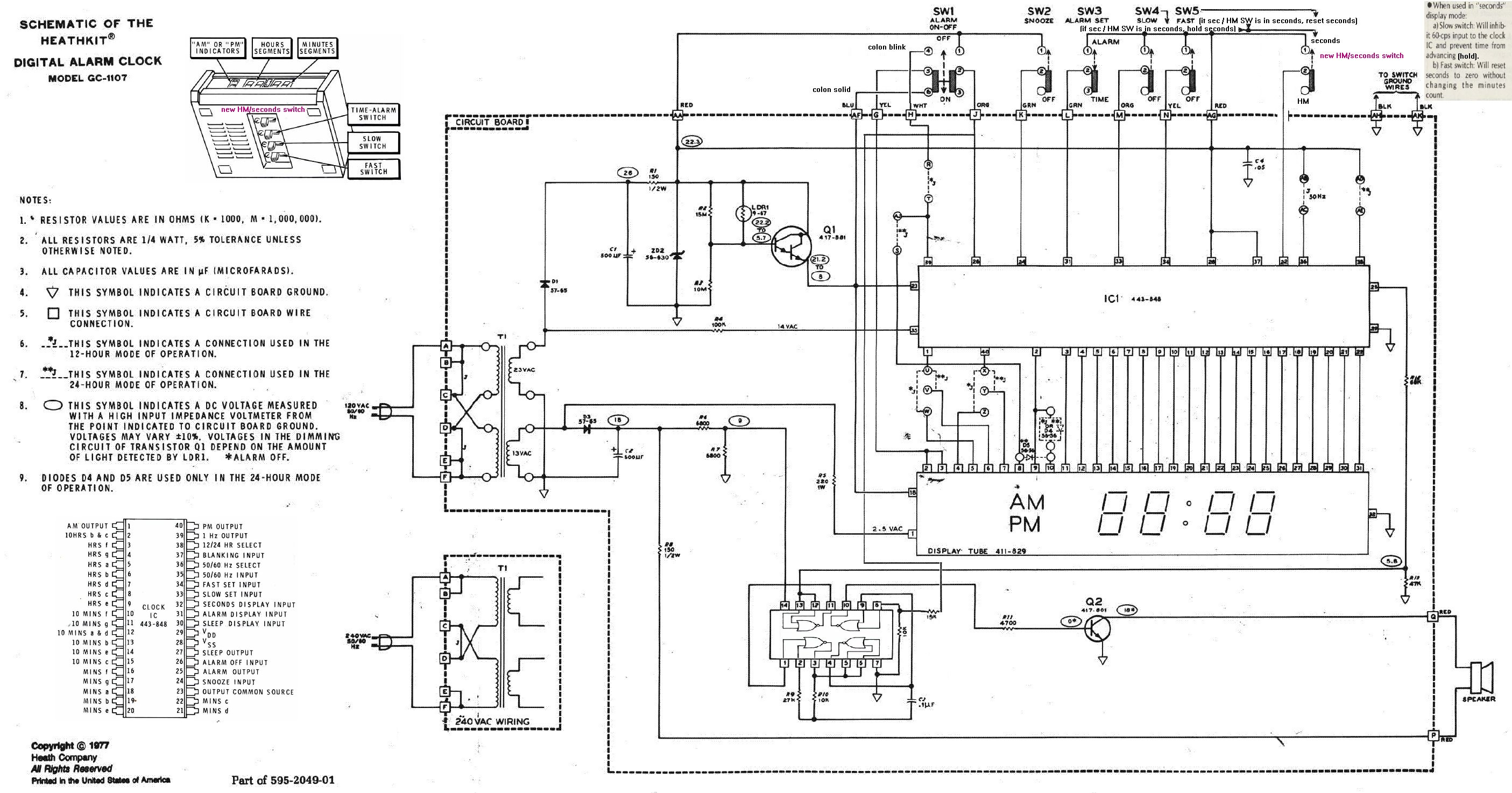
| Heathkit GC1107 digital clock mods |
First is the usual mod to allow the user to reset the seconds count. And to hold the seconds count until the top of the minute is announced on WWV or looking at your iPhone. (Doing a seconds reset then will also work). What I did was to cut a new switch slot on the bottom of the clock's plastic cabinet, next to the fast, slow, and time/alarm switches (other mods on the web have you delete the snooze switch and put a regular SPDT slide switch in its place). Be sure that there is room for it, as it is crowded there under that circuit board. I used a slide switch that was not as tall as the others Heathkit used. This new switch "HM/seconds" connects to the clock chip pin 32, and the red wire that is wired to the fast, the slow, and the time/alarm switches. See diagram.
Once that's done, the "HM/seconds" switch will now
provide two displays: a)(HM) "Time" display: normal 12-hour format.
b)" Seconds" display: digit 4 =blanked, digit 3 -minutes (units). digit 2 -10s of seconds, digit 1 -seconds.
When used in "seconds"
display mode: a) the Slow switch will inhibit (hold) 69Hz input to the clock IC and prevent time from
advancing.
b) the Fast switch will reset seconds to zero without changing the minutes count.
This clock chip, 443-848 is said to be a MM5316
The other mod is to quiet the alarm buzzer when the clock is not set to alarm mode. You'll hear a fraction of a seconds burst of buzz when the clock's time hits the alarm time. To inhibit this I made use of one of the NOR gate's inputs to inhibit any true or false alarm signal from being amplified and sent to The speaker. I used the alarm on/off control line, about 0 or 22V, feeding pin 26 of the clock chip, voltage reduced by a resistance voltage divider (as the NOR gate chip runs on about 9.5V) to feed pin 8 of that NOR gate with 0 or 9.5V. When the alarm switch is set to OFF, this NOR gate input pin is pulled high, which causes it to keep its output a low, regardless of what is happening to the other input of that NOR gate. This keeping the occasional short beep from happening. You just need to cut a trace between pins 8 and 9 of that NOR gate chip.
A minor mod I also did was to swap the blinking or solid on colon to indicate the status of alarm on or off. I swapped the blue and the white wires on the alarm on/off switch. As I wanted to see blinking colon in non-alarm mode. Your preference rules here.

Do a "open image in new tab" in Firefox to see this schematic bigger