| FM MPX Stereo demodulator using TV tubes |
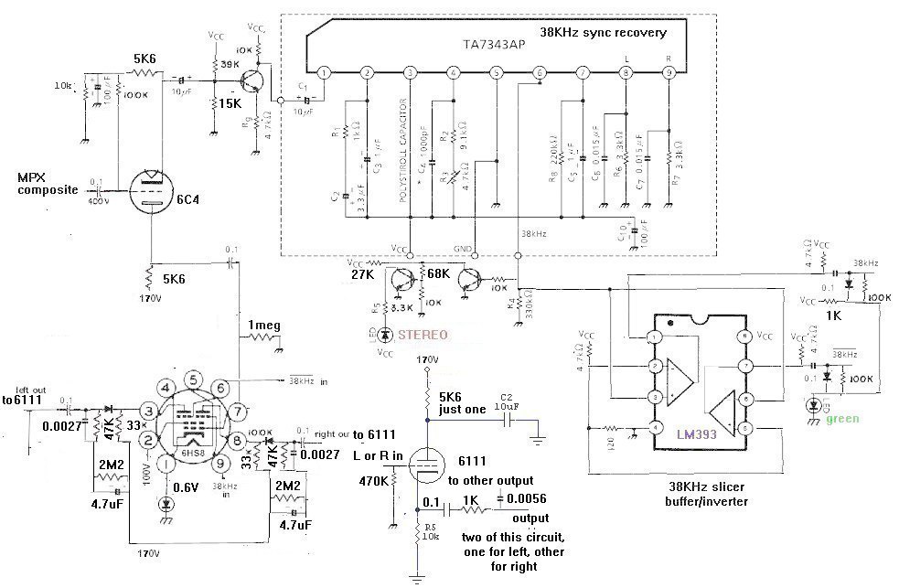
This is a FM MPX stereo decoder that uses a stereo chip to acquire the 38KHz switching waveform, and applies that to a "TV" tube that switches on and off the composite audio (which carries both the mono and the L-R difference signals) to produce left and right audio outputs. Idea is to use the chip to get a synchronized switching waveform. And the tube handles the audio signal that will go to your audio amplifier.

First thing is to find a chip that produces a 38KHz switching waveform. Turns out most of these stereo decoder chips don't provide that, keeping this signal inside itself. Some will provide 19KHz, but that's not useful. With my selected chip datasheet TA7343 I can get the 38KHz signal, but only if I don't have it directly drive an indicator LED. Doing that disables the chip's stereo demod section, but I'm not using that here. I found that when this chip loses lock on the stereo pilot signal, this 38KHz output pin goes much higher in voltage, thus I used a buffer circuit to light a "stereo" LED indicator when that happens.
The FM radio station essentially MUXes the left and the right channels by alternating the left and right audio signals at 38KHz rate. Making a sequence of L, R, L, R, etc at this 38KHz rate (time division multiplex) And my circuit recreates this 38KHz switching signal and essentially deMUXes the left from the right.
The 6HS8 is a tube meant for color TV work, where this tube splits apart chroma information (which is also a MUXed signal of R-Y and B-Y chroma signals). In my circuit, each grid 3 has a square wave at the 38KHz rate that allows (when near +2V) its audio channel to get to its respective plate, or when this grid goes about -5V negative, cuts off the audio (disabling the audio that belongs to the other channel from reaching this plate). The 6HS8 is driven by a pair of square waves at 38KHz, so the respective plates are either "on" or "off". Very little in between. I used a silicon signal diode to create a fixed bias for this tube' cathode (also the bias the composite audio wants on G1 for low distortion), so these levels would always work). The LM393 dual comparator chip produces 2 38KHz square waves, one inverted (it's essentially a data slicer). These square waves feed the grid 3's after passing thru a "DC restore" circuit that sets the voltage range of these square waves to levels the tube G3's wants (also if stereo lock is lost, this circuit will clamp both signals to an "on" level, thus passing audio to both outputs). A green LED is used to create the DC restore voltage, and this LED would also be a "Power on" indicator. Otherwise, the comparator chip will make a positive level on one output and a negative level on the other, thus cutting off one of the outputs. The G3's being biased slightly positive compared to the cathode isn't an issue, as G1 and G2 keeps grid 3 current from happening at a significant level.
One drawback of my scheme is that the resulting left and right channels have this big 38KHz waveform in addition to the audio. I wanted to reduce the size of the switching square wave as seen on the 6HS8 plates. At first I tried using diodes and capacitors as a crude sample and hold, to bridge over the gaps of signal on the plates of the 6HS8. Separation seems good. An improvement, Kept the diode, and used a combination of a 47K resistor, which in turn feeds a 4.7uF cap and 2.2meg resistor (in parallel) to the B+ the 6HS8 plate resistors connect to. Goal is the shrink the amplitude of the square wave, without impacting the audio signal. The cap creates an average voltage, charged by the diode and 47K resistor. The DC voltage gets created by the resistor divider of the 47K and the 2,2meg resistors. Thus this tracks any drift in this tube. There's still some square wave, but at a much lower amplitude than the one you'd see on the 6HS8 plates. And easier to filter, using the 0.0027uF cap across the 47K resistor. Makes the square wave more like a triangle wave. Also acts like a deemphasis filter (the time constant may be off, though). I added a crude filter to reduce this triangle wave, a 5600pF cap connected across the outputs, along with 1K resistors. The triangle wave of one channel is inverted compared to the other output, so this cap would cancel these triangle waves significantly (around 5dB) without much impact on the treble separation of the two channels. The remaining 38KHz wave is about 20dB down from the audio, which should be beyond the range of most audio amps. I didn't do anything about the 19KHz pilot.
I had an SCA LC filter, but it messed up the group delay of the composite signal, ruining the resulting separation (the timing of the L-R difference signal was thrown off, including the timing of its upper sideband being thrown off that of the lower sideband). Thus I might get some low level interference from the beat patterns between a harmonic of the 38KHz wave and an SCA carrier, but I haven't noticed this. yet.
Oh, I figured out how to tell left from right. I compared my left and right outputs to a known set of left and rights from another FM stereo tuner.
